联系人:上海程斯
销售电话:13761235453
销售QQ:161383659
公司地址:上海市松江区洞业路999号
13761235453 19821311892
PRODUCT CENTER
联系人:上海程斯
销售电话:13761235453
销售QQ:161383659
公司地址:上海市松江区洞业路999号
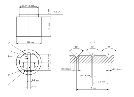
CSI-Z595配伍性试验块、细节再现和与石膏的配伍性试验块
 
执行标准:
YY/T 0493-2022--图 A.12 细节再现和与石膏的配伍性试验块--配伍性试验块
 
模具用途:
验证印模材料在接触石膏时是否会发生不良反应或表面缺陷,从而影响模型精度。
 

技术参数:
材质:不锈钢
计时器:0-999/s自行设置精度±1/s
选配:声清洗,机恒温水浴,烘箱,显微镜

配置清单
模具一套
合格证一份
铭牌一份
 
