联系人:上海程斯
销售电话:13761235453
销售QQ:161383659
公司地址:上海市松江区洞业路999号
13761235453 19821311892
PRODUCT CENTER
联系人:上海程斯
销售电话:13761235453
销售QQ:161383659
公司地址:上海市松江区洞业路999号
CSI-Z589 细节再现工装、细节再现器具、划线试验块
符合标准:
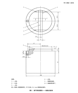
YY/T 0462-2018,7.7细节再现
 
介绍:
试验块:带如图6和图7中示的划线,由硬化不锈钢材质(400VHN)制成。
环形模具:如图8示。按GB/T131-2006,表面粗糙度为N5(Ra=0.4μm).
开口模具:如图9示。按GB/T131-2006,表面粗糙度为N5(Ra=0.4μm).




