联系人:上海程斯
销售电话:13761235453
销售QQ:161383659
公司地址:上海市松江区洞业路999号
13761235453 19821311892
PRODUCT CENTER
联系人:上海程斯
销售电话:13761235453
销售QQ:161383659
公司地址:上海市松江区洞业路999号
文章来源: 上海程斯智能科技 发布时间: 2026-04-09 09:54:28 浏览次数:次
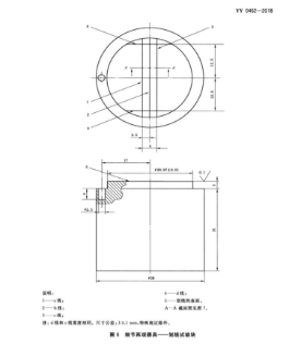
CSI-Z589 细节再现工装、细节再现器具、划线试验块
符合标准:
YY/T 0462-2018,7.7细节再现
介绍:
试验块:带如图6和图7中所示的划线,由硬化不锈钢材质(400VHN)制成。
环形模具:如图8所示。按GB/T131-2006,表面粗糙度为N5(Ra=0.4μm).
开口模具:如图9所示。按GB/T131-2006,表面粗糙度为N5(Ra=0.4μm).





CSI-F825导热系数和热扩散系数测定仪-激光闪光法一,···
球囊综合性能测试仪(三工位)CSI-Z050-3Q ···
高效过滤器过滤效率检测仪(油雾法)符合标准:GBT 6165···
根据《上海市优质中小企业梯度培育管理实施细则》(沪经信规范〔···
纸尿裤卫生巾吸水倍率测试仪  ···
面罩完整性测试仪 &nbs···
CSI-L027燃气软管耐压试验机 仪器简介:燃气···
成品鞋底耐折试验机,国标成鞋曲折试验机 执行表GB···
客户到访上海程斯,深入考察设备与专业培训近日,客户代表团莅临···
包装材料微粒测试仪,包装材料微粒检测仪(气体吹脱法)&nbs···