联系人:上海程斯
销售电话:13761235453
销售QQ:161383659
公司地址:上海市松江区洞业路999号
13761235453 19821311892
PRODUCT CENTER
联系人:上海程斯
销售电话:13761235453
销售QQ:161383659
公司地址:上海市松江区洞业路999号
文章来源: 上海程斯智能科技 发布时间: 2026-04-21 10:30:10 浏览次数:次
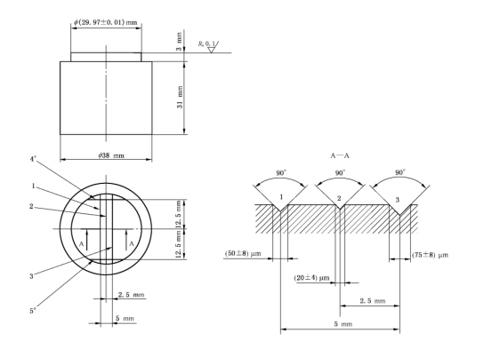
CSI-Z595配伍性试验块、细节再现和与石膏的配伍性试验块
执行标准:
YY/T 0493-2022--图 A.12 细节再现和与石膏的配伍性试验块--配伍性试验块
模具用途:
验证印模材料在接触石膏时是否会发生不良反应或表面缺陷,从而影响模型精度。

技术参数:
材质:不锈钢
计时器:0-999/s(自行设置)精度±1/s
选配:超声清洗,机恒温水浴,烘箱,显微镜

配置清单
模具一套
合格证一份
铭牌一份

球囊综合性能测试仪(三工位)CSI-Z050-3Q ···
CSI-F825导热系数和热扩散系数测定仪-激光闪光法一,···
高效过滤器过滤效率检测仪(油雾法)符合标准:GBT 6165···
根据《上海市优质中小企业梯度培育管理实施细则》(沪经信规范〔···
纸尿裤卫生巾吸水倍率测试仪  ···
面罩完整性测试仪 &nbs···
CSI-L027燃气软管耐压试验机 仪器简介:燃气···
成品鞋底耐折试验机,国标成鞋曲折试验机 执行表GB···
包装材料微粒测试仪,包装材料微粒检测仪(气体吹脱法)&nbs···
微机控制杯突试验机 产品概述微机控制杯···